We ship from multiple warehouses throughout the USA
to get you what you need as fast as possible!
Millions of items in stock!
Fast online checkout - No account required
Cart 0
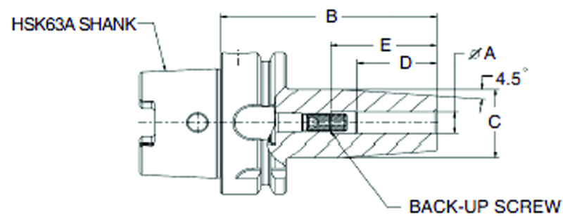
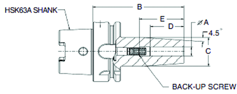
HSK63 COOLANT TUBES - Exact Tool & Supply

HSK63 COOLANT TUBES


Item #: GM30TICTHSK63
Manufacturer: Briney
Mfg #: TICT-HSK63

Technical Specifications:
*Brand Name: Briney

Description:


Shipping Info:
*Actual Weight - .0500 *Dimensions - Height: .710 Length: 1.43 Width: .710
$33.15

2% Off All Online Orders
Use Code: 2%OFF

Best Price Guarantee - Email Us A Better Published Price and We'll Beat It