
HSK-A 80mm x PG 15 x 85mm H HSK-A powRgrip Collet Holder
Item #: GM21458071540
Manufacturer: Rego-Fix
Mfg #: 4580.7154
Technical Specifications:
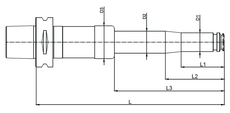
*Brand Name: Rego-Fix *Collet Style/Fits: PG15 *Gage Length: 85mm *Mount: HSKA80 *Nose Diameter: 24mm *Style: HSK-A powRgrip Collet Holder *Type: Standard
Description:
*T.I.R. < 0.0001" (3 µ¼m) *Highest clamping force and transferable force *Surface finish max. Ra 0.25 *Q+ balanced to G 2.5 @ 25000 rpm for HSK holders *Ideal for high speed cutting and high performance cutting *Ready to accept Hi-Q balancing rings which allow to offset the imbalance introduced by the cutting tool up to 80000 min-1
Shipping Info:
*Actual Weight - .2500
2% Off All Online Orders
Use Code: 2%OFF
Best Price Guarantee - Email Us A Better Published Price and We'll Beat It