
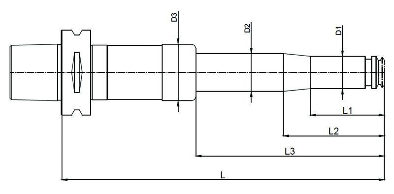
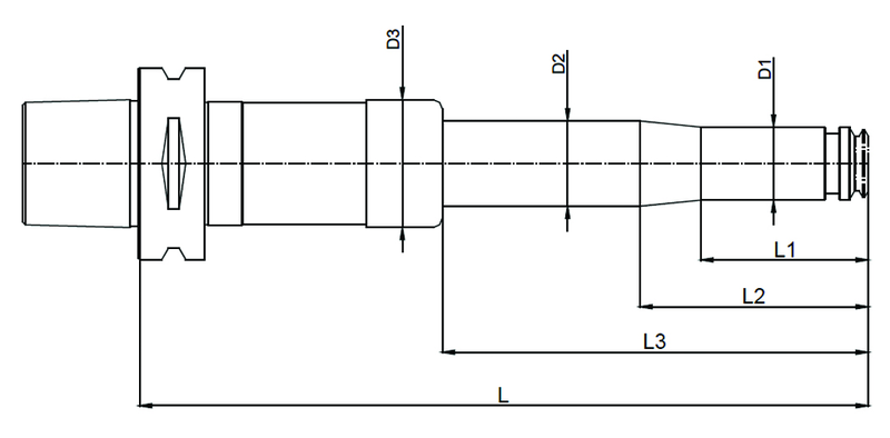
C8 x ER16 x 332 XL CAPTO Collet Holder
Item #: GM20888813160
Manufacturer: Rego-Fix
Mfg #: 8888.1316
Technical Specifications:
*Brand Name: Rego-Fix *Collet Style: ER16 *Gage Length: 332mm *Mount: C8 *Type: Capto Toolholder
Description:
*Sandvik certified manufacturer *Case hardened for long lfie and wear resistances *pre-balanced to G2.5 @ 22,000 RPM's *Rings can be added and the assembly can be balanced to over 40,000 RPM's *T.I.R. from the collet cavity to the holder taper 0.0001" *Lot number for lot traceability *Precision threads for better clamping force and accuracy *Rego-Fix Hi-Q nut provided for added clamping force *Superior surface finish for better fit and accuracy
Shipping Info:
*Actual Weight - .2500
2% Off All Online Orders
Use Code: 2%OFF
Best Price Guarantee - Email Us A Better Published Price and We'll Beat It