
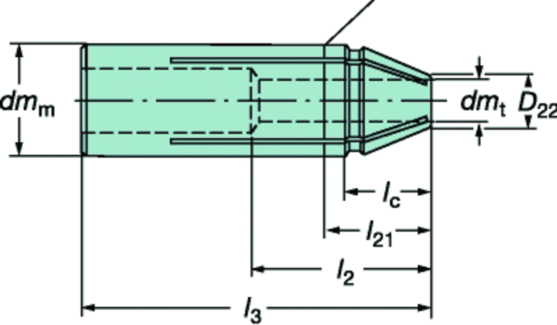
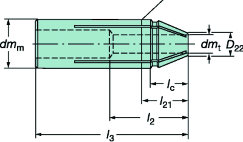
393CGP201272 CORO GRIP PENCIL COLLET
Item #: FF8321649
Manufacturer: Sandvik Coromant
Mfg #: 5760282
Technical Specifications:
*Brand Name: Sandvik Coromant
Description:
Shipping Info:
*Actual Weight - .2453
2% Off All Online Orders
Use Code: 2%OFF
Best Price Guarantee - Email Us A Better Published Price and We'll Beat It